电 话:135-8498-4787
QQ:319603185
邮箱: cs@key-way.com
地址:苏州市干将东路178号苏州自主创新广场3号楼301室
关于组织开展2022年(*29批)国家企业技术中心认定工作通知【智为铭略转发】
各省、自治区、直辖市及计划单列市、新疆生产建设兵团发展改革委(国家企业技术中心管理部门):
为提升企业技术创新能力、强化企业创新主体地位,根据《国家企业技术中心认定管理办法》(2016年*34号令,以下简称《管理办法》)和《国家企业技术中心认定评价工作指南(试行)》(发改办高技〔2016〕937号,以下简称《工作指南》),现将2022年国家企业技术中心认定工作有关事项通知如下。
一、2022年认定工作
(一)请各地发展改革委会同科技、财政、海关、税务等部门(或省级政府规定的国家企业技术中心申报、管理部门会同同级发展改革、科技、财政、海关、税务等部门),参照《管理办法》,做好2022年国家企业技术中心推荐工作:
1.按照《工作指南》要求,组织申请企业编写国家企业技术中心申请材料,并对其真实性进行审核;
2.依据《战略性新兴产业重点产品和服务指导目录》(国家发展改革委公告2017年*1号)、国家“十四五”规划《纲要》以及相关“十四五”***专项规划明确的战略性新兴产业和未来产业范围,对申请企业主营业务是否符合认定领域进行审核(原则上企业技术中心研发的主要产品和服务应属指导目录和相关规划范围)。在符合上述要求前提下,对同时符合《**产业指导目录》(发改环资〔2019〕293号)的企业优先予以考虑;
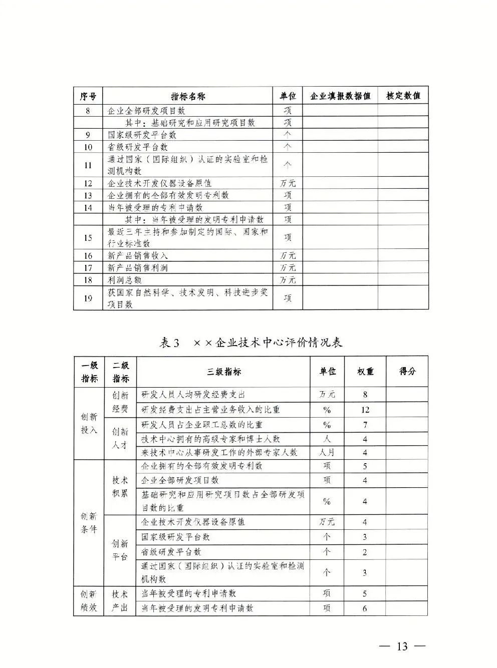
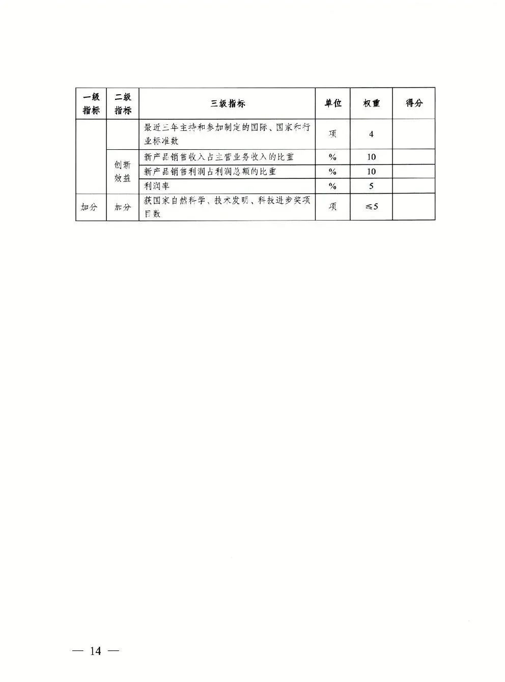
3.按照国家企业技术中心评价方法(附件1),对申请企业技术中心进行初评;
4.采取公平公正公开的适当形式,择优推荐符合领域要求、基本条件符合《管理办法》规定、初评得分高于70分(含70分)的企业技术中心。
(二)建立存量评价与增量认定挂钩机制。根据2021年国家企业技术中心运行评价情况(附件2),确定2022年各地企业技术中心推荐数量:评价为*一档的省、区、市推荐数量不超过5家;评价为*二档的省、区、市推荐数量不超过3家;评价为*三档的省、区、市推荐数量不超过2家。
此外,符合下列三类条件之一的省、区、市(附件3),可增加2个推荐名额(不重复激励,上限为2个):
1.国际科技创新中心、综合性国家科学中心、区域科技创新中心所在省、区、市;
2.大力培育发展战略性新兴产业、产业特色优势明显、技术创新能力较强的地方(国办发〔2022〕21号);
3.推动“双创”政策落地、促进创业带动就业、加强融通创新、扶持“双创”支撑平台、构建“双创”发展生态、打造“双创”升级版等方面成效明显的区域“双创”示范基地(国办发〔2022〕21号)。
原则上,增加名额需用于激励国际科技创新中心、综合性国家科学中心、区域科技创新中心所在省、区、市和真抓实干成效明显地方(具体到市、区)。
(三)请各地发展改革委会同同级科技、财政、海关、税务等部门(或省级政府规定的国家企业技术中心申报、管理部门会同同级发展改革、科技、财政、海关、税务等部门)行文,将推荐企业的申请材料及评审情况(附件4)报送我委,同时将推荐企业名单抄报科技部、财政部、海关总署、税务总局。
(四)请于2022年10月11日前,通过国家企业技术中心数据系统(www.datacidd.cn),填报推荐企业申请材料,并将纸质文件(一式一份)报送国家发展改革委。
二、其他事项
(一)国家企业技术中心发生更名或重组的,请填写国家企业技术中心名称变更情况表(附件5),并提供相关证明材料,由各地发展改革委(或省级政府规定的国家企业技术中心管理部门)统一来函报送。
(二)后续,我委将持续强化运行绩效评价,不断完善相关工作机制,压实地方主管责任,不断提升国家企业技术中心运行水平。
国家发展改革委办公厅
2022年8月30日











附件:
1.国家企业技术中心评价方法
2.2021年国家企业技术中心运行评价情况
3.符合激励条件的省、区、市名单
4.认定评审情况报送要求
5.国家企业技术中心名称变更情况表
——————————————————————————————————————————
想要了解更多详情,请查看苏州智为铭略企业管理有限公司网站http://www.key-way.com,智为铭略提供免费高新技术企业申报和企业补贴政策申请评估报告,关注智为铭略获得更多优惠政策。
智为铭略核心产品与服务:软件著作权登记、商标注册、研发费用加计扣除、江苏省科技成果转化专项资金、江苏省新产品新技术鉴定、知识产权贯标、软件产品登记、软件企业认定及高新技术企业认定等。
[上一个产品:关于公布2022年省级企业技术中心名单通知【智为铭略转发】] [下一个产品:2024年度江苏省科学技术奖综合评审结果公示【智为铭略转发】]



